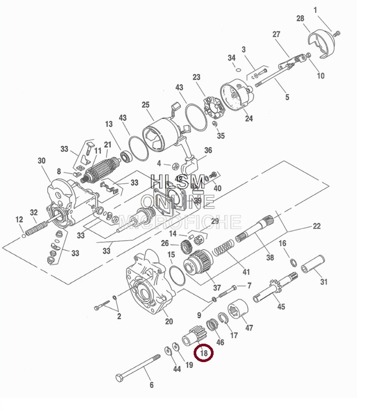
Элементы стартера
Бендикс стартера
для моделей TOURING 2006-2016 г.в., SOFTAIL 2007-2017 г.в., Dyna 2006-2017 г.в.


артикул 2110-0319 (OEM 31633-07 A)
производитель DRAG SPECIALTIES
Стоимость: 147$
________________________________________________________________________________________________
Бендикс стартера
для моделей TOURING 1990-2006 г.в., SOFTAIL 1990-2006 г.в., Dyna 1990-2005 г.в.


артикул 32-9031 (OEM 31663-90)
производитель V-TWIN MFG
Стоимость: 117$
________________________________________________________________________________________________
Бендикс стартера
для моделей TOURING 1990-2006 г.в., SOFTAIL 1990-2006 г.в., DYNA 1990-2005 г.в.


артикул 2110-0591 (OEM 31663-90)
производитель DRAG SPECIALTIES
Стоимость: 137$
________________________________________________________________________________________________
Бендикс стартера
для моделей TOURING 1990-2006 г.в., SOFTAIL 1990-2006 г.в., DYNA 1990-2005 г.в.


артикул 32-9271 (OEM 31342-94)
производитель V-TWIN MFG
Стоимость: 53$
________________________________________________________________

